
MZT190VA Two-Axis Single-Optical Turntable

The MZT190VA two-axis single-light turntable mainly consists of a servo motion frame, sensor support frame, shock absorber, 30x visible light camera, servo drive board, image tracking board, gyroscope, and other components. It features lightweight construction, high stability and precision, and high integration, and can be applied to unmanned vehicles, armored vehicles, and sentry towers to perform day and night reconnaissance, surveillance, and target location tasks.
The photoelectric turntable uses an infrared thermal imager and a visible light camera to detect, identify, and track ground targets around the clock, and outputs infrared and visible light videos in real time for mission personnel to view.
Optoelectronic turntables are mainly used in scenarios such as air detection, ground detection, border and coastal defense, high-point monitoring, and border sentry posts.
I. Photos of the actual product

Figure 1 Product Image
II. Product Functions
a) It has the function of automatic identification and tracking of typical targets;
b) It has self-testing and fault reporting functions;
c) It has a 30x optical zoom function for visible light ;
d) Visible light has optical zoom, autofocus, manual focus and low-light functions;
e) Possesses the ability to move with two degrees of freedom: orientation and pitch;
f) It has multiple working modes such as automatic search , manual search, follow-up, automatic tracking, and favorites;
g) In manual search mode, it has the function of receiving control station commands and completing turntable operations;
h) Possesses the ability to isolate carrier disturbances and stabilize the line of sight;
i) It has a target locking /unlocking function, and after locking the target, the turntable output image is an image with a tracking frame;
j) It has an automatic target tracking function, can automatically track targets, and has the ability to resist natural interference;
k) It has a memory tracking function, which allows the target to be recaptured in a short time after being briefly lost;
l) It has the function of adjusting the gate size;
m) Features tracking point switching functionality;
n) Possesses target positioning function;
o) Airtight optical cabin;
p) It has photo and video recording functions .
III. Platform
Unmanned vehicles, armored vehicles, monitoring towers, etc.
IV. Main Technical Parameters
| model | ZT190VA |
| Visible light camera | |
| resolution | 1920×1080 |
| Response band | 0.4μm to 0.9μm |
| Pixel size | 2.8μm |
| Optical zoom | 30 times |
| Mixed Variable Multiplication | 60 times |
| focal length | 4.3mm~129mm |
| Field of view | 63.7°×35.8°~2.3°×1.3° |
| zoom mode | Autofocus, manual focus |
| Minimum Illumination | 0.01 Lux |
| Servo Platform | |
| Orientation angle | 360°×n (360° continuous rotation) |
| Pitch angle | -15° to +90° (positive for upward) |
| Frame corner accuracy | ≤0.1° (1σ) |
| Stable accuracy | ≤0.1mrad (1σ) |
| Maximum turning speed | Azimuth ≥ 60°/s, Pitch ≥ 60°/s |
| Maximum turning acceleration | Azimuth ≥ 100°/s², Pitch ≥ 100°/s² |
| System Indicators | |
| Image tracking | Automatically track selected target |
| Power supply voltage | 20V~32VDC |
| power | Stable power consumption: ≤40W |
| weight | ≤4.7Kg |
| volume | ≤190mm×200mm×286mm |
| interface | |
| Control Interface | CAN/422/100Mbps Ethernet |
| Video interface | 100M network |
| Storage interface | ≤128G memory card (Micro SD card) |
| Image format | JPG format |
| Video format | AVI format |
| Environmental adaptability | |
| Operating temperature | -40℃~+60℃ |
| Storage temperature | -45℃~+70℃ |
| Vibration conditions | The acceleration was 6.06g; 30 minutes each in the vertical, lateral, and longitudinal directions. |
| Impact conditions | Peak acceleration 20g, duration 11ms |
| Protection level | Optical cabin airtight |
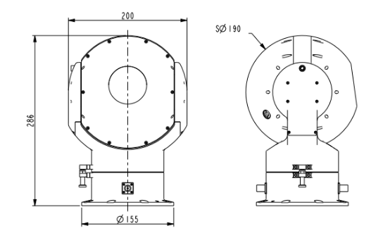
V. Mechanical Dimensions and Installation Interfaces


Figure 2 Product mechanical dimensions diagram



